银娱优越会有限公司

产品中心

硅基负极资料

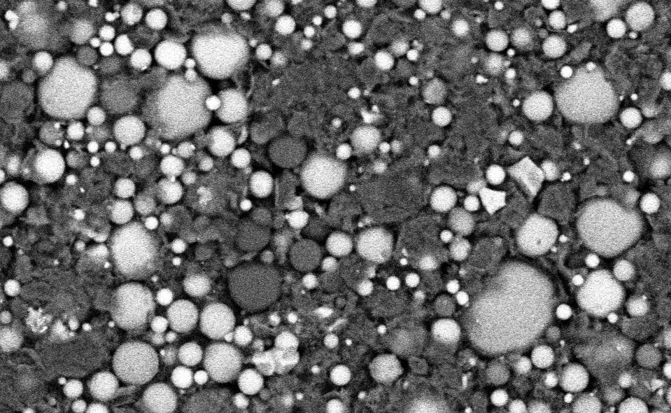
硅基负极资料是下一代锂离子电池负极关键资料,我们提供高容量、高首效、长循环系列硅氧复合伙料,以及高容量、高倍率机能的硅碳复合伙料,为工具、动力、数码锂离子电池利用创造主题价值。我们为客户提供硅资料和石墨均匀混合的产品,同时也能够凭据客户的必要,进行定造化的纯品硅基资料开发。

银娱优越会(中国游)股份有限公司
银娱优越会(中国游)股份有限公司
银娱优越会(中国游)股份有限公司
银娱优越会(中国游)股份有限公司
GS45
GS50
GS60
SG45
SG50
SG60
SG90

GS45

GS45

ITEMS

12.0±2.0

D50(?M)

≤3.0

SSA(M2/G)

≥1.0

TAP (G/CM3)

≥450

CAPACITY (MAH/G)

90.5±1.0

EFFICIENCY( %)

GS45-sem.png
扣电图
循环图
qiyeweixinjietu_16409417522507.png
GS45cailiaoxunhuantu.png

GS50

GS50

ITEMS

12.0±2.0

D50(?M)

≤3.0

SSA(M2/G)

≥1.0

TAP (G/CM3)

≥500

CAPACITY (MAH/G)

90.0±1.0

EFFICIENCY( %)

GS50-sem.png
扣电图
weixintupian_20211231133523.png

GS60

GS60

ITEMS

12.0±2.0

D50(?M)

≤3.0

SSA(M2/G)

≥1.0

TAP (G/CM3)

≥600

CAPACITY (MAH/G)

88.5±1.0

EFFICIENCY( %)

1-76.jpg
扣电图
qiyeweixinjietu_16409417995610.png

SG45

SG45

ITEMS

10-15

D50(?M)

≤3.0

SSA(M2/G)

0.9-1.1

TAP (G/CM3)

≥450

CAPACITY (MAH/G)

92.5±1

EFFICIENCY( %)

SG5X1.png
扣电图
qiyeweixinjietu_16409378749683.png

SG50

SG50

ITEMS

10-15

D50(?M)

≤3.0

SSA(M2/G)

0.9-1.1

TAP (G/CM3)

≥500

CAPACITY (MAH/G)

92.0±1

EFFICIENCY( %)

SG6X1.png
扣电图
qiyeweixinjietu_164093788934.png

SG60

SG60

ITEMS

10-15

D50(?M)

≤3.0

SSA(M2/G)

0.9-1.1

TAP (G/CM3)

≥600

CAPACITY (MAH/G)

91.5±1

EFFICIENCY( %)

SG60.jpg
扣电图
qiyeweixinjietu_16409378495512.png

SG90

SG90

ITEMS

10-15

D50(?M)

≤3.0

SSA(M2/G)

0.9-1.1

TAP (G/CM3)

≥800

CAPACITY (MAH/G)

90.5±1

EFFICIENCY( %)

SG90-1.jpg
扣电图
qiyeweixinjietu_16409378495512.png
银娱优越会(中国游)股份有限公司
银娱优越会(中国游)股份有限公司
银娱优越会(中国游)股份有限公司
【网站地图】